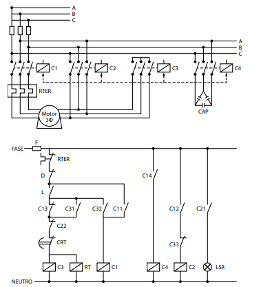
São apresentados abaixo os diagramas de força e comando para o acionamento de motor de indução trifásico através de uma chave estrela-triângulo.

Fonte: Adaptado de MAMEDE FILHO, J. Manual de Equipamentos Elétricos. 3 ed. Rio de Janeiro: LTC, 2005.
LEGENDA
C1, C2, C3, C4 – Contatores; C11, C21, … – Contatos auxiliares dos contatores C1, C2, …; RT – Relé de tempo; L – Botoeira liga; D – Botoeira desliga; CRT – Contato do relé de tempo; LSR – Lâmpada de sinalização; RTER – Relé térmico; F – Fusível; CAP - Capacitor.
Assinale a alternativa correta em relação a esses diagramas: