Magna Concursos
Questões
Planos
Entrar
Entrar
Criar Conta
Respondida
2237763
Ano:
2015
Disciplina:
Engenharia Mecânica
Banca:
UFMG
Orgão:
UFMG
Provas:
Técnico de Laboratório - Refrigeração
Provas
×
Sistemas Termomecânicos
Refrigeração e Climatização
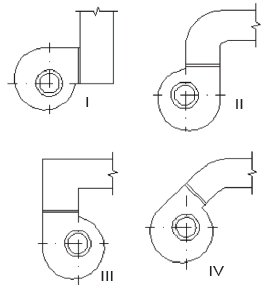
Os diagramas abaixo representam a saída de um duto de ventilação forçada.
Qual duto apresenta a menor resistência à saída do ar?
A
I.
B
II.
C
III.
D
IV.
Resolver
Comentários
0
×
Cadernos
×
Flashcards
×
Estatísticas
×
Reportar um erro
×
Provas
Questão presente nas seguintes provas
Técnico de Laboratório - Refrigeração
45 Questões
Resolver Prova
Publicar
Responder
Qual o problema da questão?
Selecione uma opção
Questão Desatualizada
Questão Repetida
Gabarito Errado
Outros Motivos
Mensagem
Enviar
Acessar
Criar Conta
Acesse sua Conta
Google
Facebook
Esqueci minha senha
Acessar
Ainda não tem conta?
Crie uma
!
Crie uma Conta
Criar Conta
Olá, para continuar, precisamos criar uma conta!
É
rápido
e
grátis
.
Google
Facebook
Concordo com os
Termos de Uso
Criar
Já tem uma conta?
Acesse aqui