Magna Concursos
2611610 Ano: 2022
Disciplina: Engenharia Elétrica
Banca: FCC
Orgão: TRT-5

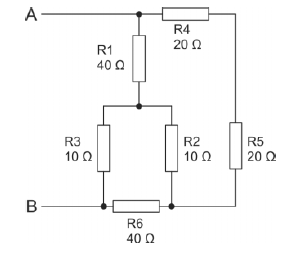
Considere o circuito abaixo.

Enunciado 3542972-1

A resistência equivalente aproximada entre os pontos A e B é

 

Provas

Questão presente nas seguintes provas

Analista Judiciário - Engenharia Elétrica

60 Questões