
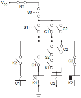
A figura acima apresenta o circuito de controle para acionamento de duas máquinas trifásicas, comandadas por intermédio dos contatores C1 e C2. As chaves S0, S1 e S2 são do tipo sem retenção. A ação de acionar uma chave significa apertá-la e, em seguida, deixá-la retornar à posição inicial. O relé K1 é do tipo com retardo na ligação, programado para Ta minutos, enquanto K2 é do tipo com retardo no desligamento, programado para Tb minutos. Com relação ao funcionamento do sistema, em condições normais, considere as seguintes afirmativas:
I - ao iniciar a energização do circuito, a máquina comandada por C1 deverá funcionar no mínimo por Ta minutos para que a máquina comandada por C2 possa ser energizada;
II - a máquina comandada pelo contator C1 somente poderá se manter energizada, intermitentemente, por, no máximo, Ta + Tb minutos;
III - a máquina comandada por C1 somente poderá funcionar, intermitentemente, por, no máximo, Tb minutos após o acionamento da máquina comandada por C2.
É(São) verdadeira(s), apena(s), a(s) afirmativa(s):