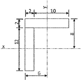
Observe a figura a seguir.

Dados: As medidas estão em centímetros.
Um perfil de aço estrutural tem as dimensões especificadas na figura acima. Quais são os valores dos momentos de inércia Ix e Iy, em relação aos eixos x e y da figura, respectivamente?
Provas
Questão presente nas seguintes provas
Corpo Auxiliar de Praças - Estruturas Navais
50 Questões