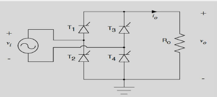
De acordo com a figura do circuito a seguir e considerando que a fonte de alimentação seja de 15 V (eficazes), os tiristores são ideais com ângulo de condução de 30° e a carga tem resistência de 10 Ω, determine a corrente de pico na carga.

A corrente está indicada corretamente em:
Provas
Questão presente nas seguintes provas