Magna Concursos
3097527 Ano: 2012
Disciplina: Engenharia Eletrônica
Banca: FUNIVERSA
Orgão: CENSIPAM

Enunciado 3398462-1

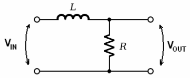
Assinale a alternativa que identifica o filtro em frequência apresentado na figura.

 

Provas

Questão presente nas seguintes provas