Magna Concursos
768606 Ano: 2019
Disciplina: Engenharia Elétrica
Banca: CESGRANRIO
Orgão: UNIRIO
Provas:
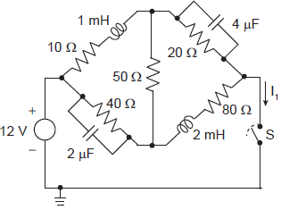
A Figura abaixo ilustra um circuito elétrico em que os componentes são considerados ideais.
Enunciado 768606-1
Em determinado instante, a chave S é fechada. Após algum tempo, supondo-se o circuito operando em regime permanente, qual será o valor da corrente I1, em ampère?
 

Provas

Questão presente nas seguintes provas

Engenheiro Eletricista

70 Questões