Magna Concursos
83962 Ano: 2005
Disciplina: Engenharia Mecânica
Banca: CESGRANRIO
Orgão: CMB

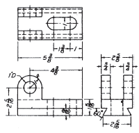
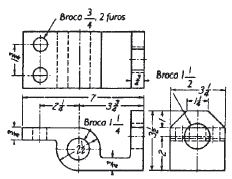
Das figuras abaixo, assinale aquela em que há necessidade de se acrescentar linha de contorno visível e/ou linha de contorno invisível.

 

Provas

Questão presente nas seguintes provas

Técnico - Projetos Mecânicos

30 Questões