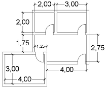
De acordo com a ABNT NBR 5410:2004, como alternativa à aplicação da NBR 5413:1992 (substituída pela ABNT NBR ISO/CIE 8995-1:2013), a potência mínima atribuída a todas as cargas de iluminação adotada para a planta abaixo será de

De acordo com a ABNT NBR 5410:2004, como alternativa à aplicação da NBR 5413:1992 (substituída pela ABNT NBR ISO/CIE 8995-1:2013), a potência mínima atribuída a todas as cargas de iluminação adotada para a planta abaixo será de
