A figura abaixo representa esquema de proteção por relés diante da simulação de curto-circuito bifásico para a terra.

Nessas condições, o valor de i0 é representado por:
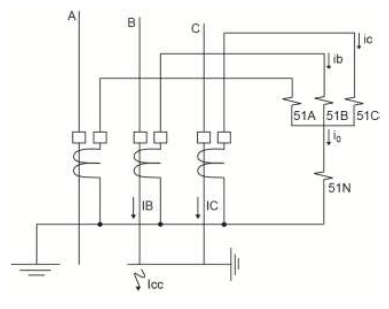
A figura abaixo representa esquema de proteção por relés diante da simulação de curto-circuito bifásico para a terra.

Nessas condições, o valor de i0 é representado por: