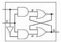
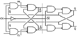
Os flip-flops (FF) são construídos a partir das portas lógicas digitais e possuem diferentes funções na eletrônica digital. Numere as estruturas internas na 1ª coluna de acordo com os nomes dos FF na 2ª coluna.
1 - Flip-Flop RS
2 - Flip-Flop Mestre Escravo
3 - Flip-Flop D
4 - Flip-Flop JK
( )

( )

( )

( )

Assinale a sequência correta.