Leia o texto a seguir para resolver a questão.
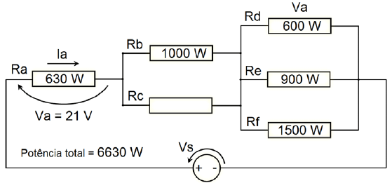
A figura seguinte retrata uma instalação elétrica em que seis cargas resistivas, conectadas com associações em série e em paralelo, dissipam uma potência total de 6630 W. O circuito é alimentado por uma fonte de tensão Vs. Nos terminais da carga Ra, mede-se uma tensão Va igual a 21 V. As potências dissipadas pelas demais cargas encontram-se registradas no interior dos retângulos que representam essas cargas.

O valor da tensão Vs aplicada ao circuito pela fonte de alimentação é de