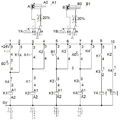
A seguinte imagem apresenta um circuito eletropneumático. Faça a interpretação do funcionamento do diagrama apresentado e assinale a alternativa correta.

Provas
Questão presente nas seguintes provas
A seguinte imagem apresenta um circuito eletropneumático. Faça a interpretação do funcionamento do diagrama apresentado e assinale a alternativa correta.
