- Instalações ElétricasSubestaçõesCustos, diagramas unifilares básicos, tipos de barramentos, sistemas auxiliares

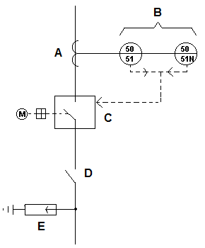
A Figura ao lado apresenta parte do diagrama unifilar de uma subestação.
Conforme os elementos dessa Figura, é correto afirmar que


A Figura ao lado apresenta parte do diagrama unifilar de uma subestação.
Conforme os elementos dessa Figura, é correto afirmar que
