Magna Concursos
3084194 Ano: 2024
Disciplina: Engenharia Civil
Banca: Instituto Access
Orgão: Pref. Domingo Martins-ES
Provas:
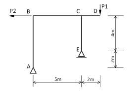
Seja o quadro plano isostático ABCDE, mostrado na figura a seguir, submetido ao carregamento indicado.

Enunciado 3357499-1


Sabendo-se que o valor das cargas P1 e P2 são, respectivamente, 10kN e 20kN, o esforço normal na barra CE será
 

Provas

Questão presente nas seguintes provas

Engenheiro Civil

50 Questões