
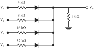
A figura acima mostra um esquema de conexão de componentes eletrônicos para formar um conversor D/A. A tensão de entrada (tensão VCC), aplicada quando um nível lógico está no estado 1, corresponde a valor igual a +5 V. Os níveis lógicos D0, D1, D2 e D3 são associados às entradas V0, V1, V2 e V3, respectivamente. Com base nessas informações e considerando que os diodos no circuito são ideais, julgue o item a seguir.
O circuito corresponde a um conversor D/A construído com base em uma rede R-2R.