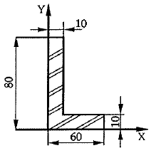
Observe a figura a seguir.

Sabendo-se que as dimensões apresentadas na figura acima estão em milímetros, assinale a opção que apresenta as coordenadas do centro de gravidade da cantoneira de abas desiguais dessa figura, com aproximação até a segunda casa decimal.