
O multímetro é um aparelho que apresenta três modos de operação, o que, basicamente, o transforma em três aparelhos de medida: voltímetro, amperímetro e ohmímetro.
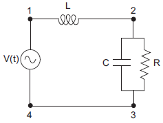
Com o objetivo de se monitorar a corrente que passa pela fonte do circuito mostrado na figura, as pontas de prova desse aparelho devem ser conectadas aos pontos
Provas
Questão presente nas seguintes provas
Engenheiro de Equipamentos - Terminais e Dutos
70 Questões