Magna Concursos
2899360 Ano: 2022
Disciplina: Engenharia Mecânica
Banca: CENTEC
Orgão: CENTEC
Provas:

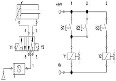
Com relação ao diagrama eletropneumático exposto na figura abaixo, é CORRETO afirmar:

Enunciado 3029297-1

 

Provas

Questão presente nas seguintes provas

Professor - Eletromecânica

50 Questões