Dado o circuito:

Admitir:
Transistor de silício.
VCC = 12 V, VCE = 7 V.
IB = 100 μ A
β = 100.
A potência dissipada em RE, em mW, é:
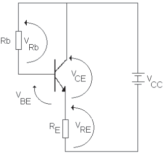
Dado o circuito:

Admitir:
Transistor de silício.
VCC = 12 V, VCE = 7 V.
IB = 100 μ A
β = 100.
A potência dissipada em RE, em mW, é: