Magna Concursos
2127471 Ano: 2021
Disciplina: Engenharia Elétrica
Banca: CESPE / CEBRASPE
Orgão: ALECE

Enunciado 2127471-1

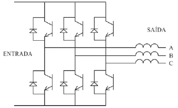
O circuito precedente

 

Provas

Questão presente nas seguintes provas

Analista Legislativo - Engenharia Elétrica

70 Questões