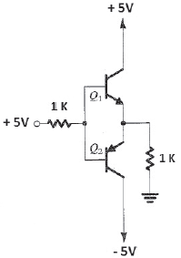
No circuito abaixo, a corrente de coletor (IC) vale 1000 vezes o valor da corrente de base (IB). O valor aproximado da tensão sobre a carga, supondo
, vale:

Provas
Questão presente nas seguintes provas
Perito Criminal - Engenharia Elétrica ou Eletrônica
100 Questões