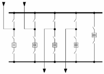
Considere as afirmativas a respeito do arranjo de uma subestação apresentado na figura abaixo:

I. A substituição de disjuntor se dá com desligamento da carga.
II. Caracteriza um esquema com barras principal e de transferência.
III. É o esquema com maior quantitativo de seccionadoras.
Está correto o que se afirma em