A figura abaixo apresenta o diagrama vertical da instalação de água fria de uma edificação.

Sobre essa instalação, responda à questão
A tubulação indicada pelo número 1 é conhecida como:
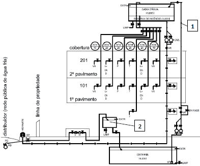
A figura abaixo apresenta o diagrama vertical da instalação de água fria de uma edificação.

Sobre essa instalação, responda à questão
A tubulação indicada pelo número 1 é conhecida como: