
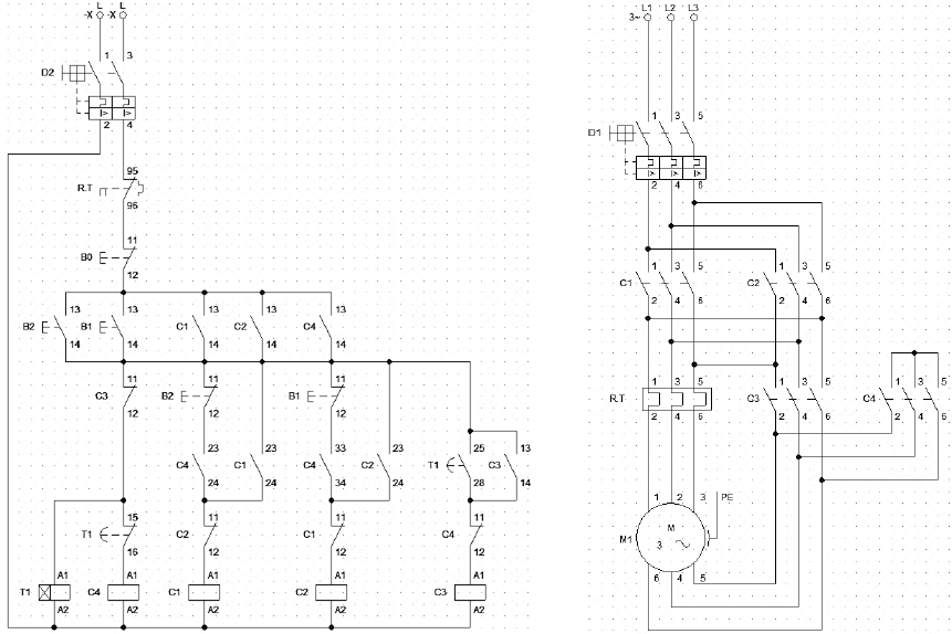
O circuito da figura representa o diagrama de uma partida estrela-triângulo com reversão. Considere as botoeiras sem retenção e analise as afirmativas relacionadas ao diagrama apresentado.
I. Sempre que a botoeira B1 ou B2 for ativada, C4 será ativado ligando o contator C1.
II. O comando elétrico não funcionará corretamente, pois, para se fazer uma partida estrela-triângulo com reversão, são necessários, no mínimo, cinco contatores.
III. RT representa o relé térmico e se o mesmo for acionado o circuito não funcionará.
IV. Os contatores C3 e C4 não poderão funcionar ao mesmo tempo, sendo que quando o relé temporizador estiver ativado, o contator C3 estará energizado e o contator C4 desenergizado.
V. Quando a botoeira B1 for acionada, o contator C4 e C1 serão energizados e, após isso, se a botoeira B2 for acionada nada acontecerá.