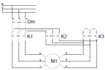
A respeito da partida de motores usando a chave estrela-triângulo, cujo diagrama de potência é apresentado na figura ao lado, considere as afirmativas a seguir.

I. No instante da partida do motor, somente as chaves contatoras K1 e K3 são energizadas.
II. Após chaveamento da ligação estrela para triângulo, somente as chaves contatoras K1 e K2 estarão energizadas.
III. No regime permanente de operação, somente as chaves contatoras K2 e K3 estarão energizadas.
Está (ão) correta (s) apenas a (s) afirmativa (s)
Provas
Questão presente nas seguintes provas
Professor PEBTT - Processos Industriais/Área 10
40 Questões