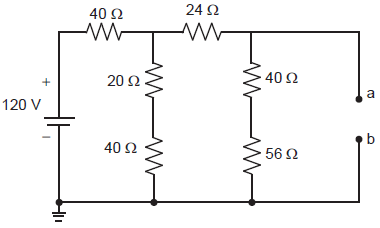
O circuito mostrado na Figura abaixo é puramente resistivo. Deseja-se calcular os elementos do circuito equivalente Thevenin entre os pontos a e b, assinalados na Figura.
O cálculo solicitado resulta no valor de uma tensão equivalente VTH, bem como no valor da resistência equivalente associada RTH.
Os valores de VTH, em volts, e de RTH, em ohms, respectivamente, são:
Os valores de VTH, em volts, e de RTH, em ohms, respectivamente, são: