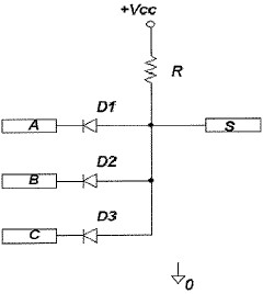
Analise o diagrama esquemático elétrico abaixo.

Em determinadas ocasiões, pode-se utilizar diodos como chaves e, quando devidamente conectados, utilizá-los para a construção de circuitos elétricos capazes de implementar as funções Boleanas E (“AND"), e OU ("OR"). Considerando o circuito elétrico representado pelo diagrama, é correto afirmar, em relação ao funcionamento ideal, que o referido circuito é capaz de implementar um