Observe o circuito abaixo.

Assinale a opção que. apresenta o valor mais próximo da tensão Vs do circuito acima, considerando o amplificador operacional ideal e alimentado com +/- 12 V.
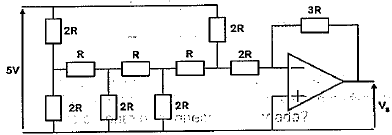
Observe o circuito abaixo.

Assinale a opção que. apresenta o valor mais próximo da tensão Vs do circuito acima, considerando o amplificador operacional ideal e alimentado com +/- 12 V.