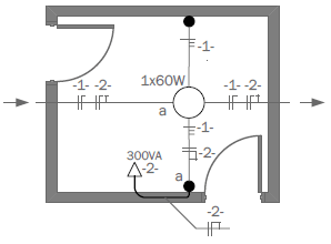
Na figura a seguir, é mostrado um diagrama de instalação elétrica predial.

Segundo o diagrama, analise as afirmações propostas:
I. Existem dois circuitos independentes. O circuito 1 é utilizado para iluminação e o circuito 2 é utilizado para tomadas.
II. Existe apenas um ponto de luz, de 60W, acionado por meio de dois pontos distintos (interruptores paralelos).
III. Existe uma tomada de 300VA, instalada a meia altura e com aterramento.
Assinale a alternativa correta.