Magna Concursos
1035584 Ano: 2016
Disciplina: Engenharia Elétrica
Banca: CESPE / CEBRASPE
Orgão: Polícia Científica-PE

Enunciado 1035584-1

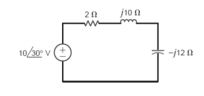
Quando o circuito elétrico apresentado estiver operando em regime permanente senoidal, a amplitude, em volts, e a fase, em graus, da tensão no indutor serão, respectivamente, iguais a
 

Provas

Questão presente nas seguintes provas

Perito Criminal - Engenharia Elétrica

100 Questões