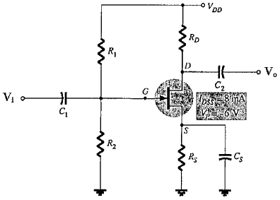
Observe o circuito abaixo:

Calcule a tensão de polarização VDS do circuito e assinale a opção correta.
Dados: !$ R_1=15 \, k Ω !$;
!$ R_2=1\, kΩ !$;
!$ R_D=3,3 \, kΩ !$;
!$ R_S=2\, kΩ !$;
!$ V_{DD}=16 \, V !$; e
!$ I_D=I_{DSS}\left(1-{\large{V_{GS} \over V_P}} \right)^2 !$