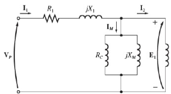
A figura a seguir ilustra o circuito equivalente simplificado por fase de um motor de indução trifásico do tipo gaiola de esquilo.

Considerando a tensão VP = 200 V, R1 = 25 \( Ω \), X1 = 1 \( Ω \), XM = 24 \( Ω \) e RC desprezível, qual será a tensão nos terminais E1 do motor?