- Instalações ElétricasAterramentos
- Normas TécnicasNBRsNBR 14039: Instalações Elétricas de Média Tensão
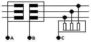
Observe a figura abaixo, referente aos esquemas de aterramento considerados na norma ABNT NBR 14039 – Instalações elétricas de média tensão de 1kV a 36,2kV. Os pontos A, B e C se referem, respectivamente, aos aterramentos da subestação, do neutro e das massas da instalação.

Quanto à ligação dos pontos a eletrodos de terra, pode-se afirmar que