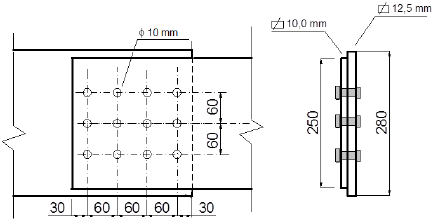
As duas chapas de aço MR-250 estão ligadas por meio de parafusos comuns. A ligação da figura foi dimensionada para suportar uma carga de tração de cálculo de 120 kN.

Considerando essa ligação, analise as afirmativas:
I. Para adequar a ligação para suportar uma carga de tração de cálculo de 150 kN, poderiam ser colocados mais três parafusos, acrescentando mais uma coluna de parafusos, o que aumentaria o comprimento total da ligação.
II. Uma alternativa para melhorar a eficiência da ligação seria aumentar o diâmetro dos parafusos.
III. O número de linhas de parafusos adotadas no detalhamento da ligação influenciou na capacidade de carga dessa ligação.
Estão corretas apenas as afirmativas: