
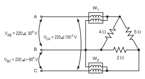
Na figura acima, utilizam-se dois wattímetros, W1eW2' para medir a potência ativa consumida pela carga resistiva trifásica. Os instrumentos são ideais, e o wattímetro faz uma leitura igual a 16.940 W. Qual é a medida, em watt, feita no wattímetro W2?