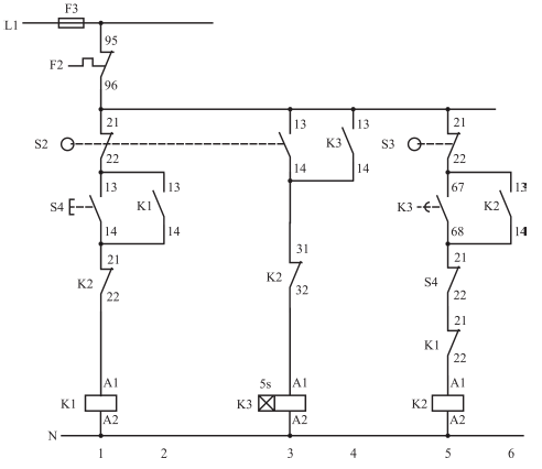
O esquema de comando mostrado na Figura 7 é utilizado para acionar um motor trifásico de indução empregado na abertura e fechamento de um portão. Nele, S2 e S3 são chaves de fim de curso que indicam portão aberto completamente e fechado completamente, respectivamente. Analise as proposições seguintes sobre o esquema descrito.
Figura 7

I. K1 e K2 são utilizados para comandar a abertura e fechamento do portão, respectivamente.
II. O fechamento do portão acontecerá 5 segundos após a botoeira S4 ter sido pressionada.
III. Este esquema permite que o portão fique em uma posição intermediária entre aberto completamente e fechado completamente
IV. Uma vez iniciado a abertura o portão poderá ser fechado a qualquer instante, bastando para isso um segundo pulso na botoeira S4.
Assinale a opção CORRETA.