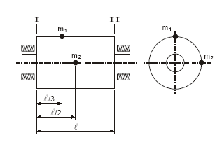
O rotor sólido da figura, apresentado nas vistas frontal e lateral esquerda, se encontra desbalanceado de 6 unidades de massa em m1 e de 6 unidades em m2.

Pretende-se balancear o rotor com a adição de uma única massa em cada um dos planos laterais. Para tanto, no plano I deve-se colocar uma massa
Provas
Questão presente nas seguintes provas