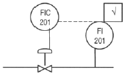
O diagrama de interligação de instrumentos que representa uma malha de medição e controle de vazão, contendo placa de orifício, transmissor diferencial de pressão, extrator de raiz quadrada, controlador registrador e válvula de controle, é:
O diagrama de interligação de instrumentos que representa uma malha de medição e controle de vazão, contendo placa de orifício, transmissor diferencial de pressão, extrator de raiz quadrada, controlador registrador e válvula de controle, é: