Magna Concursos
3112650 Ano: 2017
Disciplina: Engenharia Mecânica
Banca: IFB
Orgão: IFB

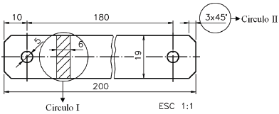
O que representam as cotagens assinaladas com círculos no desenho abaixo?

Enunciado 3458732-1

 

Provas

Questão presente nas seguintes provas