Magna Concursos
3362332 Ano: 2014
Disciplina: Engenharia Mecânica
Banca: FUNDEP
Orgão: UFTM
Provas:

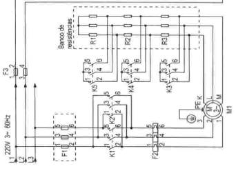
Analise o esquema de acionamento de um motor a seguir.

Enunciado 3817821-1

Enunciado 3817821-2

Com relação a esse esquema, está CORRETO afirmar que

 

Provas

Questão presente nas seguintes provas

Técnico de Eletromecânica

50 Questões