Magna Concursos
Questões
Planos
Entrar
Entrar
Criar Conta
Respondida
1008870
Ano:
2016
Disciplina:
Engenharia Elétrica
Banca:
AOCP
Orgão:
UFFS
Provas:
Engenheiro Eletricista
Provas
×
Transformadores e Máquinas Elétricas
Máquinas de Corrente Contínua
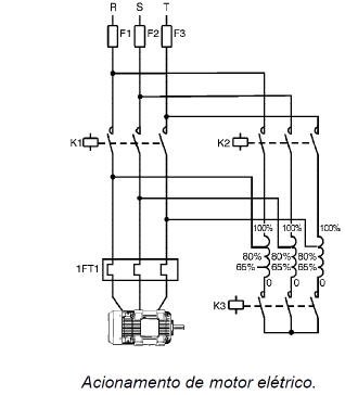
A figura a seguir mostra o diagrama de acionamento de um motor elétrico. Considerando o exposto, é correto afirmar que essa figura apresenta
A
um diagrama de comando de motor síncrono de 3 polos.
B
o diagrama de potência de acionamento de motor trifásico assíncrono por chave de partida do tipo compensadora, em que o motor somente necessita de três bornes externos.
C
chave de partida em estrela-triângulo com autotransformador e comutação em 12 segundos.
D
chave de partida compensadora, que apresenta como desvantagem o fato da partida do motor causar pico de corrente igual ao do acionamento direto, a menos que o motor já esteja em 27% da sua rotação nominal na comutação para a ligação estrela.
E
o diagrama de potência de acionamento de motor trifásico assíncrono por chave de partida do tipo compensadora, em que o motor necessita de seis bornes externos e ter no mínimo FS=2,3.
Resolver
Comentários
0
×
Cadernos
×
Flashcards
×
Estatísticas
×
Reportar um erro
×
Provas
Questão presente nas seguintes provas
Engenheiro Eletricista
50 Questões
Resolver Prova
Publicar
Responder
Qual o problema da questão?
Selecione uma opção
Questão Desatualizada
Questão Repetida
Gabarito Errado
Outros Motivos
Mensagem
Enviar
Acessar
Criar Conta
Acesse sua Conta
Google
Facebook
Esqueci minha senha
Acessar
Ainda não tem conta?
Crie uma
!
Crie uma Conta
Criar Conta
Olá, para continuar, precisamos criar uma conta!
É
rápido
e
grátis
.
Google
Facebook
Concordo com os
Termos de Uso
Criar
Já tem uma conta?
Acesse aqui