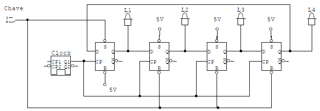
O circuito abaixo representa um contador em anel. A chave, inicialmente, tem valor lógico zero. Depois que essa chave passa para nível lógico 1, os estados de contagem que serão demonstrados continuamente nos leds L1, L2, L3 e L4, respectivamente, serão:

Provas
Questão presente nas seguintes provas
Engenheiro - Produção Eletrônica
40 Questões
Engenheiro - Qualidade
40 Questões