Magna Concursos
Questões
Planos
Entrar
Entrar
Criar Conta
Respondida
1526724
Ano:
2018
Disciplina:
Engenharia Eletrônica
Banca:
UFRPE
Orgão:
UFRPE
Provas:
Técnico de Laboratório - Eletrônica
Provas
×
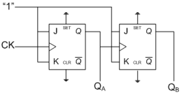
Observe o circuito abaixo e assinale a alternativa que representa sua aplicação.
A
Meio somador (half-adder).
B
Registrador de deslocamento.
C
Divisor de frequências.
D
Contador síncrono.
E
Atrasador de pulsos.
Resolver
Comentários
0
×
Cadernos
×
Flashcards
×
Estatísticas
×
Reportar um erro
×
Provas
Questão presente nas seguintes provas
Técnico de Laboratório - Eletrônica
64 Questões
Resolver Prova
Publicar
Responder
Qual o problema da questão?
Selecione uma opção
Questão Desatualizada
Questão Repetida
Gabarito Errado
Outros Motivos
Mensagem
Enviar
Acessar
Criar Conta
Acesse sua Conta
Google
Facebook
Esqueci minha senha
Acessar
Ainda não tem conta?
Crie uma
!
Crie uma Conta
Criar Conta
Olá, para continuar, precisamos criar uma conta!
É
rápido
e
grátis
.
Google
Facebook
Concordo com os
Termos de Uso
Criar
Já tem uma conta?
Acesse aqui