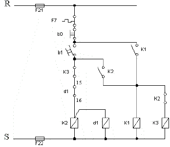
A figura abaixo representa o diagrama de comando de partida de um motor. Assinale a alternativa que está associada ao diagrama.

Fonte: Manual de tarefas – Eng. Elétrica – Pucpr
De acordo com a figura acima, pode-se afirmar:
Provas
Questão presente nas seguintes provas
Oficial de Manutenção - Eletromecânica
50 Questões
Técnico Industrial - Eletromecânica
50 Questões