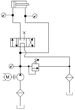
Circuitos hidráulicos, assim como os pneumáticos, são formados pela união de válvulas e de cilindros para o desempenho de funções programadas. Às vezes, são utilizados recursos de ligação das válvulas para melhorar o desempenho do circuito, sem aumentar o número de componentes.

(Arquivo pessoal; imagem usada com autorização.)
Na figura está representado um circuito em que a ligação feita na válvula