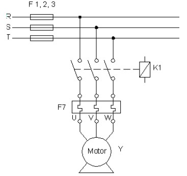
Analise a seguinte figura que apresenta o diagrama de ligação de um motor elétrico.

A proteção desse motor contra sobrecarga, falta de fase ou de tensão está implementada por meio do emprego de um
Analise a seguinte figura que apresenta o diagrama de ligação de um motor elétrico.

A proteção desse motor contra sobrecarga, falta de fase ou de tensão está implementada por meio do emprego de um