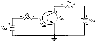
Observe a figura abaixo:

Calcule o valor da corrente IC que circula no coletor do transistor e assinale a opção correta.
Dados:
!$ β !$= 200;
VBE = 0,7 V;
VBB = 2 V;
RB = 130 K!$ Ω !$; e
RC = 1 K!$ Ω !$
Provas
Questão presente nas seguintes provas
Observe a figura abaixo:

Calcule o valor da corrente IC que circula no coletor do transistor e assinale a opção correta.
Dados:
!$ β !$= 200;
VBE = 0,7 V;
VBB = 2 V;
RB = 130 K!$ Ω !$; e
RC = 1 K!$ Ω !$