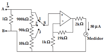
A figura abaixo ilustra um amperímetro eletrônico, onde a chave S seleciona a faixa de operação e o medidor é a parte do instrumento responsável pela leitura da corrente que passa efetivamente pelos terminais A e B.

Considerando-se que o amplificador operacional seja ideal, que a chave S esteja ligada na posição 1 e que a corrente que passa pelo medidor seja de 50 A, o valor aproximado da corrente I que está sendo medida é: